








Semineu cu bioetanol EcoSmartFire Daiquiri
Confortul tradițional se întâlnește cu stilul avangardist.
O masă ultramodernă, sofisticată, cu două funcții, care oferă piesa centrală perfectă pentru setari mai mari de lounge interioare sau exterioare. Cu designul său liniar și proporțiile funcționale, masa de foc de înălțime joasă aduce o ambianță rafinată în împrejurimile dvs., oferindu-vă o piesă de mobilier de foc și o masă practică cu spațiu pentru mâncare și băuturi. Semineul de sine stătător ideal pentru atunci când vă distrați. Disponibil în etanol ecologic, gaz natural sau gaz LP datorită opțiunilor multicombustibil EcoSmart.
CARACTERISTICI PRODUS
Stilul contemporan
Design perfect detaliat, cu căptușeală curată, cu o bază solidă, încastrată și blat subțire pentru a reduce amprenta vizuală și a da aspectul unei mese plutitoare.
Versatilitate
Creat inteligent pentru utilizare cu dublu scop - ca focar, masă de foc, pentru a fi o piesă centrală pentru spațiile de locuit, pentru a îmbunătăți și a combina cu mobilierul existent, cum ar fi canapele modulare sau fotolii multiple sau scaune de dragoste, pentru a ridica aspectul și senzația de interior sau exterior. spatii de locuit.
Conversie masuta de cafea
O placă de acoperire din sticlă opțională permite o conversie ușoară într-o măsuță de cafea atunci când șemineul nu este utilizat.
Paravan de foc din sticlă
Modelul include un paravan de foc pătrat din sticlă, pentru a stabiliza flacăra în condiții de vânt.
Robusteţe
Fabricat din beton Fluid™ rezistent la intemperii, un material incredibil de puternic, dar relativ ușor. Dispune de o barieră rezistentă la pete și la impact care îl protejează de intemperii - chiar și în condiții extreme și expunere lungă la UV.
Flacără alungită
Arzător liniar din oțel inoxidabil care produce o flacără aurie. Include tavă pentru arzător cu suport decorativ pentru a spori și mai mult flacăra.
Nuanțe naturale
Disponibil în trei finisaje atemporale: Natural, Grafit și Os, pentru a se potrivi decorului dumneavoastră.
Tehnologie triplu combustibil
Alegeți dintre bioetanol ecologic, cu ardere curată și eficient din punct de vedere energetic, pentru utilizare în medii interioare sau exterioare; sau opțiunea de gaz natural instalat pentru mesele de foc cu gaz sau gaz propan pentru mesele de foc de propan (ambele pentru setările exterioare), oferind libertatea de a alege sistemul potrivit pentru tine și proiectul tău.
Testat în întreaga lume
Colecția noastră a fost testată temeinic în conformitate cu o serie de standarde globale și este listată O-TL în conformitate cu UL 1370 în SUA, certificată în conformitate cu EN16647 în Europa și Marea Britanie și îndeplinește Mandatul de siguranță ACCC pentru Australia.
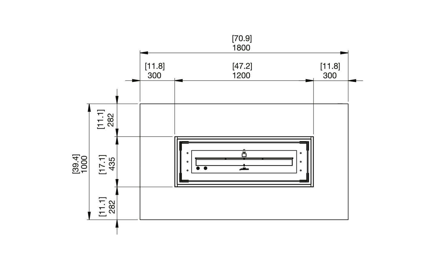
Detalii Tehnice
- Greutate 121 kg
- Dimensiuni mm L 1800mm W 1000mm H 248mm
- Instalare: Interior & Exterior
- Materiale: Compozit fluid din beton, oțel inoxidabil grad 304 (acoperire ceramică neagră opțională), sticlă securizată
- Culori: Natural, Graphite, Bone
ACCESORII
Include tot ce aveți nevoie pentru a opera cu ușurință și pentru a vă proteja investiția pentru mulți ani de acum înainte.
- Alegerea unei selecții are ca rezultat o reîmprospătare a întregii pagini.
- Se deschide într-o fereastră nouă.